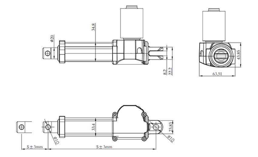
En breve resumen este modelo U6B es una versión mini de lo que vendría a ser el modelo original U6, siendo también para uso en sofás eléctricos. La caja de cambios está hecha de metal, además su carrera es menor a los 150mm. No transmite mucho sonido, asimismo es sencillo de instalar por tener un tamaño pequeño, haciéndolo perfecto para productos con carga liviano no mayor a los 100kg.
Apariencia y tamaño

① Carga VS Corriente; ② Corriente (A); ③ Carga(N); ④ Carga VS Velocidad; ⑤ Velocidad (mm/s)
Código de Parámetros| Código | Carga nominal (N) | Corriente nominal (A) | Velocidad nominal (mm/s) | ||||
| Empuje | Tracción | Sin carga(32VDC) | Carga completa(24VDC) | ||||
| Motor estándar (2200RPM) | |||||||
| A | 1500 | 1500 | 1.5 | 7.8 | 3.7 | ||
| B | 1000 | 1000 | 1.5 | 15.2 | 6.6 | ||
| Motor de alta velocidad(3800RPM) | |||||||
| E | 2500 | 2000 | 2..8 | 9.3 | 5.2 | ||
| F | 2000 | 2000 | 3 | 13.2 | 6.9 | ||
| G | 1500 | 1500 | 4 | 26.4 | 10.8 | ||
| Motor largo(3400RPM) | |||||||
| H | 1000 | 1000 | 3 | 24.5 | 16 | ||
| J | 3000 | 2000 | 4 | 12 | 7 | ||
| Motor largo (4500RPM) | |||||||
| K | 3000 | 2000 | 4 | 16 | 7.5 | ||
Observaciones: Cuando el voltaje cambie de 24V a 12V, la corriente se duplicará.
Parámetros de personalizado1=12V
2=24V(Estándar)
1=Blanco
2=Gris metálico
1=0°/180°
2=45°
3=90°
4=135°
1=Ancho 6.2mm, agujero Φ6.4mm
2=Ancho 6.2mm, agujero Φ8mm
3=Ancho 6.2mm, agujero Φ6.4mm(estándar)
4=Ancho 6.2mm, agujero Φ10mm, tubo Φ8mm
1=agujeroΦ6.4mm
2 =agujeroΦ8mm
3=Hordilla, ranura 6mm, agujero Φ6.4mm
4=Hordilla, ranura 6mm, agujero Φ8mm
5=Hordilla, ranura 6mm, agujero Φ10mm
6=agujeroΦ10mm(estándar)
7=agujeroΦ10mm,tuboΦ8mm
8=Ancho 32mm, agujero Φ10.2mm con tapa de plástico
1=Interruptores en cada extremo para detener (Estándar)
2= Interruptores en cada extremo y un tercero para enviar señal
3= Interruptores en cada extremo para detener y un tercero para enviar señal
4= Interruptores en cada extremo para enviar señal
c=Personalizado
1=no
2=1 sensor de efecto de Hall
3=Doble sensor de efecto de Hall
c=Personalizado
1=no
2= Muelle de tensión 1 y 2 ciclos
3=1.5m
1=0.5m
2=1m
3=1.5m
4=2m
5=3m
6=0.35m
7=0.75m
8=0.8m
1=Hilo de estaño
2=01pin(estándar)
3=Din 6pin
4=Cable tipo Y 01pin, Din 5pin hembra(0.5m)
5=Cable tipo V 01pin, Din 5pin hembra(0.35m)
6=Din 5pin
7=2 pin VH-3.96MM
8=Terminal de bloque 110
9=Cable tipo E, 01pin macho,01pin hembra,5pin hembra
A=3 en 1,01pin macho,01pin hembra×2,5pin hembra
1=Recto
2=Enrollado
Actuador lineal U1 (Adecuado para muebles)
Actuador lineal U2 (Adecuado para aplicaciones hospitalarias)
Actuador lineal U4 (Adecuado para sistemas de seguimiento solar)
Actuador lineal U5 (Adecuado para muebles)
Actuador lineal U5B (Estructura compacta)
Actuador lineal U5D (Adecuado para uso en muebles)
Actuador lineal U5C (Adecuado para cuidados sanitarios)
Actuador lineal U6 (Adecuado para atención médica y muebles)
Actuador lineal U6B (Adecuado para muebles)
Actuador lineal U7 (Adecuado para sectores industriales)
Actuador lineal U8 (Adecuado para sectores industriales)
Actuador lineal U10L (Adecuado para sistemas de seguimiento solar)
Actuador lineal U10P (Adecuado para sistemas de seguimiento solar)
Actuador lineal U10S (Adecuado para sistemas de seguimiento solar)
Actuador lineal U12 (Adecuado para agricultura)Nuestros actuadores lineales son utilizados en distintos rubros de negocio, asimismo en cada área las especificaciones y parámetros son distintos, es por ese motivo y gracias a nuestros años de experiencia que brindamos servicio personalizado, tanto en el aspecto exterior como en las funciones del mismo. Hemos establecido 9 parámetros para poder realizar el personalizado en el producto, de acuerdo a estos parámetros y una vez que estén definidos comenzaremos a realizar el proceso de personalizado. Contamos con un gran equipo el cual lo guiará desde el plan y diseño del producto que requiera hasta la producción final del mismo, así que no tenga ningún problema en contactarnos ya que le brindaremos consulta profesional de calidad.
Tomuu Linear Actuator Technology Co., Ltd.
Dirección.: Shengyao Hi-Tech Park, Shipai Town, Dongguan City, Guangdong Province
E-mail: kimlee.w.info@gmail.com
Contacto: Cherry
Celular: +86-13713428909
WhatsApp: +86-13713428909
Contacto: Kim
Celular: +86-13416955738
WhatsApp: +1 (646) 496-8744