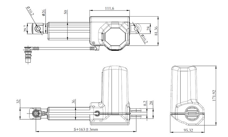
Este actuador lineal modelo U2 es un tipo adecuado para utilización en sillones dentales, camas de hospital, y todo tipo de productos de cuidados sanitario, salud, equipos médicos, todo esto gracias a su característica de ser de bajo sonido, asimismo es para equipos un poco más pesado en comparación con el modelo antecesor, ya que este modelo tiene una fuerza de empuje de 8000N.
Este modelo tiene ambas partes (frontal y trasera) hechas de aluminio ADC12, teniendo como característica principal su gran durabilidad, así como también los elementos de sellado son envueltos en caucho o hule para de esta manera asegurar el la resistencia al agua, cabe resaltar que brindamos servicio técnico en partes tanto de los frenos como en la protección de sobrecarga. Tanto el modelo U1 como el U2 tienen distintos enchufes y de esta manera asegurar la compatibilidad con la caja de control.
Este producto viene junto con un control manual, adaptador de energía, y una caja de control, siendo posible controlar de manera simultánea entre 2 a 3 actuadores. Se ofrece también una caja de energía en caso de cortes de energía si el cliente lo requiere.
Parámetros
Gráfico de curva

① Carga VS Corriente; ② Corriente (A); ③ Carga (N); ④ Carga VS Velocidad; ⑤ Velocidad (mm/s)
Código de Parámetros| Código | Carga nominal (N) | Corriente nominal (A) | Velocidad nominal (mm/s) | ||
| Empuje | Tracción | Sin carga(32VDC) | Carga completa(24VDC) | ||
| Motor estándar (2600RPM) | |||||
| A | 8000 | 4000 | 4.2 | 5 | 2.41 |
| B | 6000 | 4000 | 3.7 | 6 | 2.63 |
| C | 5000 | 4000 | 3.2 | 8 | 2.88 |
| D | 3500 | 3500 | 2.6 | 11.9 | 3.07 |
| E | 2500 | 2500 | 2.1 | 15.9 | 3.5 |
| F | 2000 | 2000 | 1.7 | 21.4 | 3.38 |
| G | 1000 | 1000 | 1.3 | 32.1 | 3.45 |
| Motor de alta velocidad(3400RPM) | |||||
| H | 8000 | 4000 | 5 | 6.7 | 3.3 |
| I | 6000 | 4000 | 4.3 | 7.6 | 4.1 |
| J | 5000 | 4000 | 4.3 | 10.1 | 5.4 |
| K | 3500 | 3500 | 4.7 | 15.1 | 7.9 |
| L | 2500 | 2500 | 4.2 | 20.2 | 11.1 |
| M | 2000 | 2000 | 4.1 | 27.1 | 14.9 |
| N | 1000 | 1000 | 3.1 | 39.5 | 23.4 |
Observaciones: Cuando el voltaje cambie de 24V a 12V, la corriente se duplicará
Parámetros de personalizado1=12V
2=24V(Estándar)
1=0°/180°
2 = 90°
3=30°
4=60°
1=Hordilla de plástico, ranura 6.2mm, agujero Φ10.2mm
2= Hordilla de aleación de aluminio, ranura 8.2mm, agujero Φ12.2mm
3= Hordilla de aleación de aluminio, ranura 10.2mm, agujero Φ10.2mm
4= Hordilla de aleación de aluminio, ranura 10.2mm, agujero Φ12.2mm C=Personalizado
1=Ancho 26mm, agujero Φ10.2mm
2=Ancho 26mm, agujero Φ12.2mm
3=Ancho 32mm, agujero Φ10.2mm con tapa de plástico
4=Ancho 32mm, agujero Φ12.2mm con tapa de plástico
5 =Hordilla de plástico, Ancho 32mm, ranura 8.2mm, agujero Φ10.2mm
6 = Hordilla de plástico, Ancho 32mm, ranura 8.2mm, agujero Φ12.2mm
7=Hordilla de aleación de aluminio, Ancho 26mm, ranura 6.2mm, agujero Φ10.2mm
8= Hordilla de aleación de aluminio, Ancho 26mm, ranura 6.2mm, agujero Φ12.2mm
9= Hordilla de aleación de aluminio +funda de vinil, Ancho 26mm, ranura 6.2mm, agujero Φ10.2mm
C=Personalizado
1=Negro
2=Blanco marfil
C=Personalizado
1=IP42
2=IP54
3=IP65
4=IP66
5=Sin carcasa
1=no(estándar)
2=Husillo con seguridad de espera
3=Solo empujar
4= Husillo con seguridad de espera, solo empujar
1= Interruptores en cada extremo para detener
2= Interruptores en cada extremo para enviar señal
3= Interruptores en cada extremo para detener y un tercero para enviar señal
4= Interruptores en cada extremo y un tercero para enviar señal
C=Personalizado
1=no
2=1 sensor de efecto de Hall
3= Doble sensor de efecto de Hall
4= Sensor Reed
1=no
3= Muelle de tensión 1, 4 y 1/2 ciclo
2= Muelle de tensión 1 y 3 ciclos
4= Motor de freno
1= Hilo de estaño
2= 01 Pin
3=Din 4 pin, 90°
4=Din 5 pin, 90°
5=Din 6 pin, 90°
C=Personalizado
1=0.5m
2=1m
3=1m
4=2m
5=3m
C=Personalizado
1=Recto
2=Enrollado
Actuador lineal U1 (Adecuado para muebles)
Actuador lineal U2 (Adecuado para aplicaciones hospitalarias)
Actuador lineal U4 (Adecuado para sistemas de seguimiento solar)
Actuador lineal U5 (Adecuado para muebles)
Actuador lineal U5B (Estructura compacta)
Actuador lineal U5D (Adecuado para uso en muebles)
Actuador lineal U5C (Adecuado para cuidados sanitarios)
Actuador lineal U6 (Adecuado para atención médica y muebles)
Actuador lineal U6B (Adecuado para muebles)
Actuador lineal U7 (Adecuado para sectores industriales)
Actuador lineal U8 (Adecuado para sectores industriales)
Actuador lineal U10L (Adecuado para sistemas de seguimiento solar)
Actuador lineal U10P (Adecuado para sistemas de seguimiento solar)
Actuador lineal U10S (Adecuado para sistemas de seguimiento solar)
Actuador lineal U12 (Adecuado para agricultura)Nuestros actuadores lineales son utilizados en distintos rubros de negocio, asimismo en cada área las especificaciones y parámetros son distintos, es por ese motivo y gracias a nuestros años de experiencia que brindamos servicio personalizado, tanto en el aspecto exterior como en las funciones del mismo. Hemos establecido 9 parámetros para poder realizar el personalizado en el producto, de acuerdo a estos parámetros y una vez que estén definidos comenzaremos a realizar el proceso de personalizado. Contamos con un gran equipo el cual lo guiará desde el plan y diseño del producto que requiera hasta la producción final del mismo, así que no tenga ningún problema en contactarnos ya que le brindaremos consulta profesional de calidad.
Tomuu Linear Actuator Technology Co., Ltd.
Dirección.: Shengyao Hi-Tech Park, Shipai Town, Dongguan City, Guangdong Province
E-mail: kimlee.w.info@gmail.com
Contacto: Cherry
Celular: +86-13713428909
WhatsApp: +86-13713428909
Contacto: Kim
Celular: +86-13416955738
WhatsApp: +1 (646) 496-8744