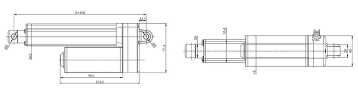
Este modelo U7 es de tipo pequeño industrial, debido a su carrera que no excede 1 metro, asimismo la distancia de instalación es de 108mm + carrera. Este tipo de actuador es de resistencia al agua, es pequeño y de sencilla instalación, por lo que lo hace ideal para usos en maletero de carros, árboles de navidad extensibles, en aparatos industriales, entre otros.
Los tubos internos y externos, y su caja de cambio son hechos por aleación de aluminio, y los engranajes fueron producidos mediante un proceso metalúrgico de polvo.
Parámetros
Gráfico de curva

① Carga VS Corriente; ② Corriente (A); ③ Carga(N); ④ Carga VS Velocidad; ⑤ Velocidad (mm/s)
Código de Parámetros| Código | Carga nominal (N) | Corriente nominal (A) | Velocidad nominal (mm/s) | ||
| Empuje | Tracción | Sin carga(32VDC) | Carga completa(24VDC) | ||
| Motor estándar (5200RPM) | |||||
| A | 2000 | 2000 | 2.2 | 7 | 6 |
| B | 1500 | 1500 | 2.2 | 9.3 | 8 |
| C | 1000 | 1000 | 2.2 | 14 | 12 |
| D | 500 | 500 | 2.2 | 28 | 24 |
| E | 250 | 250 | 2.2 | 43 | 36 |
| Motor de alta velocidad(6600RPM) | |||||
| F | 2000 | 2000 | 2.8 | 5.8 | 7.5 |
| G | 1500 | 1500 | 2.8 | 9.3 | 10.3 |
| H | 1000 | 1000 | 2.8 | 13.2 | 15 |
| I | 500 | 500 | 2.8 | 26.4 | 10.8 |
| J | 250 | 250 | 2.8 | 20.2 | 46 |
Observaciones: Cuando el voltaje cambie de 24V a 12V, la corriente se duplicará.
Parámetros de personalizado1=12V
2=24V(Estándar)
3=36V
4=48V
1=Hilo de cobre
2= 01 Pin
3=Din 6pin
C=Personalizado
1=Φ6.4mm
2=Φ8mm
3=Φ10mm
4=Φ6.4mm, ranura 6mm
5= Φ8mm, ranura 6mm
6=Φ10mm, ranura6mm
C=Personalizado
1=agujeroΦ6.4mm
2=agujeroΦ8mm
3=hordilla, ranura 5.2mm, agujeroΦ6.4mm
4=hordilla, ranura 4.2mm, agujeroΦ6.4mm
5=hordilla, ranura 4.2mm, agujeroΦ8mm
6=Tipo de varilla, agujeroΦ6mm
7=Tipo de varilla, agujeroΦ8mm
C=Personalizado
1=90°
2=0°/180°
1=Sin señal
2=Señal analógica para potenciómetro
3=Señal de pulso de 1sensor de efecto de Hall
4=Señal de pulso de doble sensor de efecto de Hall
1=cable recto,0.5m
2=cable recto,1m
3=cable recto,1.5m
4=cable recto,2m
5=cable recto,3m
C=Personalizado
1=Interruptores en cada extremo para detener
2=Interruptores de límite para enviar señal, el exterior se apaga para detener
3=El interruptor de límite está cerca para enviar señal, el exterior se apaga para detener
C=Personalizado
Actuador lineal U1 (Adecuado para muebles)
Actuador lineal U2 (Adecuado para aplicaciones hospitalarias)
Actuador lineal U4 (Adecuado para sistemas de seguimiento solar)
Actuador lineal U5 (Adecuado para muebles)
Actuador lineal U5B (Estructura compacta)
Actuador lineal U5D (Adecuado para uso en muebles)
Actuador lineal U5C (Adecuado para cuidados sanitarios)
Actuador lineal U6 (Adecuado para atención médica y muebles)
Actuador lineal U6B (Adecuado para muebles)
Actuador lineal U7 (Adecuado para sectores industriales)
Actuador lineal U8 (Adecuado para sectores industriales)
Actuador lineal U10L (Adecuado para sistemas de seguimiento solar)
Actuador lineal U10P (Adecuado para sistemas de seguimiento solar)
Actuador lineal U10S (Adecuado para sistemas de seguimiento solar)
Actuador lineal U12 (Adecuado para agricultura)Nuestros actuadores lineales son utilizados en distintos rubros de negocio, asimismo en cada área las especificaciones y parámetros son distintos, es por ese motivo y gracias a nuestros años de experiencia que brindamos servicio personalizado, tanto en el aspecto exterior como en las funciones del mismo. Hemos establecido 9 parámetros para poder realizar el personalizado en el producto, de acuerdo a estos parámetros y una vez que estén definidos comenzaremos a realizar el proceso de personalizado. Contamos con un gran equipo el cual lo guiará desde el plan y diseño del producto que requiera hasta la producción final del mismo, así que no tenga ningún problema en contactarnos ya que le brindaremos consulta profesional de calidad.
Tomuu Linear Actuator Technology Co., Ltd.
Dirección.: Shengyao Hi-Tech Park, Shipai Town, Dongguan City, Guangdong Province
E-mail: kimlee.w.info@gmail.com
Contacto: Cherry
Celular: +86-13713428909
WhatsApp: +86-13713428909
Contacto: Kim
Celular: +86-13416955738
WhatsApp: +1 (646) 496-8744